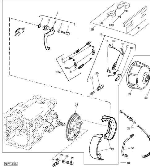
Fren Pabuçları ve Kampana

Fren Pabuçları ve Kampana

Fren Pabuçları ve Kampana

Pamuk toplama makinelerinde güvenli duruşu sağlayan fren pabuçları ve kampanalar, frenleme performansının en önemli bileşenlerindendir. DCT Tarım tarafından üretilen fren pabuçları ve kampanalar, dayanıklı malzemesi ve tam uyumlu tasarımı ile uzun ömürlü kullanım sunar. Yüksek frenleme gücü ve ısıya dayanıklılığı sayesinde makinenin ağır koşullarda bile güvenli çalışmasına katkı sağlar.

Etiketler: fren pabuçları , fren kampana , pamuk makina fren , fren sistemi parçası

Ürünler

 FREN HALATI (Brake Cable) AH128723
FREN HALATI (Brake Cable) AH128723
AH128723
 KİT (Brake Pad) AH149829
KİT (Brake Pad) AH149829
AH149829
(A) HİDROLİK FREN BORUSU (Brake Oil Line, Right Side) AN220580-AH128840
(A) HİDROLİK FREN BORUSU (Brake Oil Line, Right Side) AN220580-AH128840
AN220580-AH128840
(A) KİT (Parking Brake Package Kit) AH131058
(A) KİT (Parking Brake Package Kit) AH131058
AH131058
(A) KİT (Right Side Brake Adjuster Kit) AH131054
(A) KİT (Right Side Brake Adjuster Kit) AH131054
AH131054
(A) KİT (Spring Kit) AH131051
(A) KİT (Spring Kit) AH131051
AH131051
(A) LİNK
(A) LİNK
NO_CODE
(A) SPRING
(A) SPRING
NO_CODE
(B) CAP SCREW
(B) CAP SCREW
NO_CODE
(B) FREN YAYI
(B) FREN YAYI
AH160660
(B) HİDROLİK FREN BORUSU
(B) HİDROLİK FREN BORUSU
AN220581-AH128841
(B) KİT (Brake Adjuster Kit, Left Side) AH131055
(B) KİT (Brake Adjuster Kit, Left Side) AH131055
AH131055
(B) KİT (Parking Brake Package Kit) AH131059
(B) KİT (Parking Brake Package Kit) AH131059
AH131059
(B) LİNK
(B) LİNK
NO_CODE
BALATA TAKIMI
BALATA TAKIMI
AN274304
BOLT
BOLT
NO_CODE
BRAKET Fren Pabuçları ve Kampana
BRAKET Fren Pabuçları ve Kampana
NO_CODE
CABLE
CABLE
NO_CODE
CAM Fren Pabuçları ve Kampana
CAM Fren Pabuçları ve Kampana
NO_CODE
CİVATA 19M7597
CİVATA 19M7597
19M7597
DAHİLİ HALKA (Spiral Internal Snap Ring) B32564
DAHİLİ HALKA (Spiral Internal Snap Ring) B32564
B32564
FREN KABLOSU KLAVUZ (Brake Cable Guide) H133351
FREN KABLOSU KLAVUZ (Brake Cable Guide) H133351
H133351
FREN PABUCU (Brake Shoe) AN278453-AH132840
FREN PABUCU (Brake Shoe) AN278453-AH132840
AN278453-AH132840
FREN TAMBUR KAMPANASI (Brake System Brake Drum) CE18206-H136018
FREN TAMBUR KAMPANASI (Brake System Brake Drum) CE18206-H136018
CE18206-H136018
GUIDE
GUIDE
NO_CODE
LEVER
LEVER
NO_CODE
PAWL
PAWL
NO_CODE
PİN
PİN
NO_CODE
PUL (Round Hole Washer) N12679
PUL (Round Hole Washer) N12679
N12679
SCREW Fren Pabuçları ve Kampana
SCREW Fren Pabuçları ve Kampana
NO_CODE
SNAP RING Fren Pabuçları ve Kampana
SNAP RING Fren Pabuçları ve Kampana
NO_CODE
SPRING Fren Pabuçları ve Kampana
SPRING Fren Pabuçları ve Kampana
NO_CODE
SPRING(2)
SPRING(2)
NO_CODE
SPRING(3)
SPRING(3)
NO_CODE
SPRING(4)
SPRING(4)
NO_CODE
WHEEL
WHEEL
NO_CODE

Online Mağazamıza Göz Atın

İhtiyacınız Olan Her Şey Tek Tık Uzağınızda

Yüksek kaliteli pamuk toplama makinesi yedek parçalarımızı şimdi online mağazamızdan keşfedin. Güvenilir alışveriş, hızlı teslimat ve stoktan ürünler sizi bekliyor.

Mağazaya Git
DCT Tarım Mağaza